您好 ,欢迎访问广东好手液压科技有限公司网站!主营快速夹钳、气&油压缸、零点定位系统、气动、 液压动力单元(液压站)、精密螺母/动向螺杆
全国服务热线
13827235136
首 页
关于我们
公司简介
产品介绍
快速夹钳系列
垂直式夹钳
水平式夹钳
推拉式夹钳
门闩式夹钳
挤压式夹钳
复合组立式夹钳
小型F夹钳
C型钳
气动式夹钳
夹紧气缸
夹钳展示架
F型夹钳
螺丝配件
气&油压缸系列
日式新产品系列
空压系列
油压系列
零点定位系统
气动系列
气动新产品
迷你气缸
薄型气缸
超薄气缸
双轴气缸
新薄型带导杆气缸
自由安装型气缸
感应式空压转角缸
标准气缸
气动手指
电磁阀及底座
手动阀
二联体/三联体
气动冲床
接头
气管及附件
液压动力单元(液压站)
精密螺母/动向螺杆
应用与实例
快速肘节夹钳应用实例
气油压缸应用实例
零点定位客户案例
公司动态
下载中心
联系我们
产品中心
首页
>
产品中心
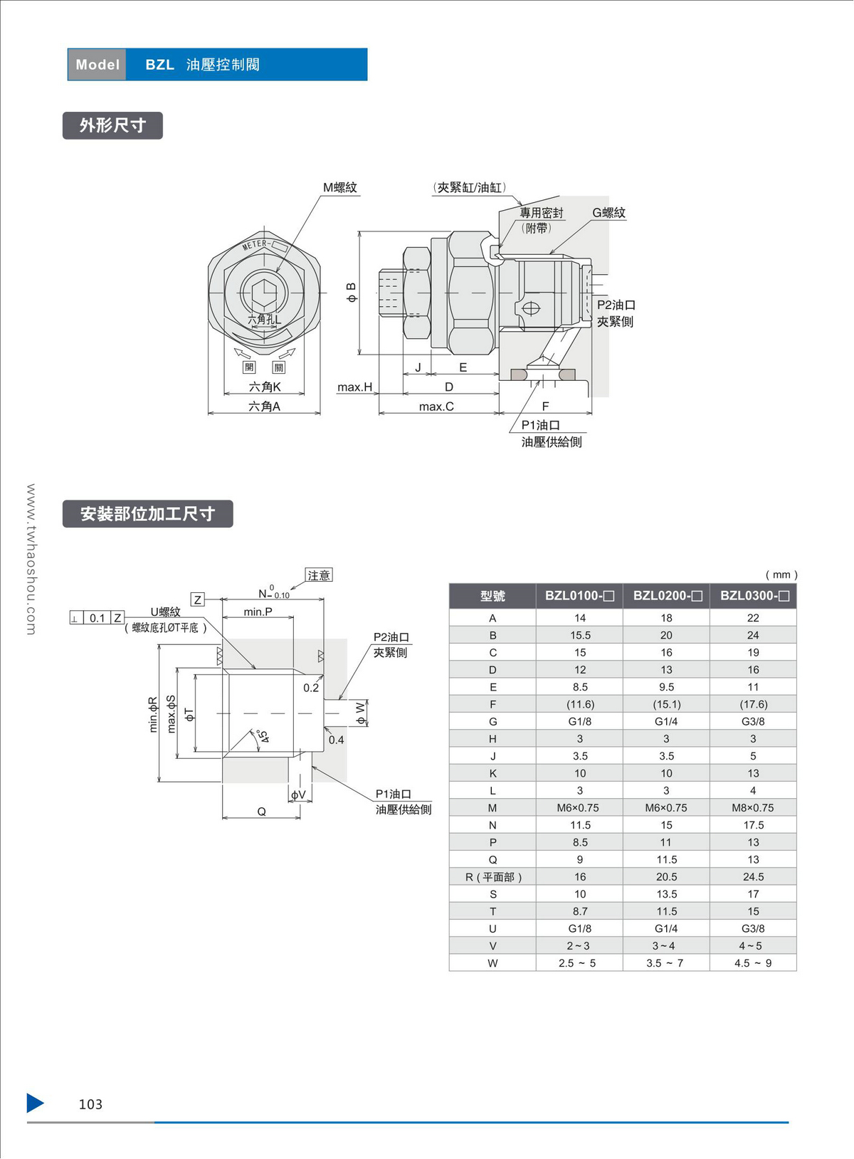
> BZL油压控制阀
BZL油压控制阀
文件下载:
PDF
DWG
STEP
首 页
|
关于我们
|
产品介绍
|
应用与实例
|
公司动态
|
下载中心
|
联系我们
联系我们
服务电话:+86-769-83528312 83528313
服务邮箱:haoshou@twhaoshou.com
客
诉电话:13827235136
公司地址:广东省英德市英红镇广清经济特别合作区广德(英德)产业园中南片区A04-05地块第10幢102号
主营业务
快速夹钳系列
气&油压缸系列
零点定位系统
气动系列
液压动力单元(液压站)
精密螺母/动向螺杆
版权所有
©
广东好手液压科技有限公司
企业邮箱
粤ICP备2025473536号
3527224920
13827235136